Overviews
MS 400 Bases de detector
Resumen del sistema
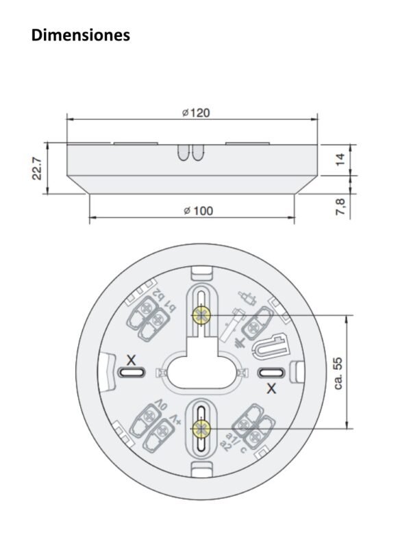
El cabezal del detector se instala en la base de detector MS 400. La base es apta para cableado de superficie y empotrado y cuenta con puntos de conexión diferentes para cajas de montaje en el techo o empotradas. Además, se adapta a todas las herramientas estándar de perforación. La base de detector, hecha de plástico ABS (Novodur, color parecido a RAL 9010) tiene un acabado mate y siete bornes para conectar el detector y sus accesorios a la central de incendios. Los contactos conectados a las terminales garantizan una conexión eléctrica segura al instalar el módulo detector. Se pueden utilizar cables de hasta 2,5 mm2 de diámetro. Para evitar extracciones no autorizadas, la cabeza del detector se puede asegurar con un bloqueo variable.
Planificación
Información de instalación para las bases de detector series 400/420
- Los taladros marcados con una "X" sólo se pueden utilizar para cajas de montaje empotradas.
- Mantenga el cable apantallado lo más corto posible y asegúrese de que está aislado.
Características y Especificaciones
Nota: MS 400 B Base de detector
Base de detector patentada para cableado de montaje en superficie y empotrado.
Número de pedido: MS 400 B.
Especificaciones
Técnicas
- Conexiones Alimentación (0 V, +V) LSN (a1/a2, b1, b2).
- Punto C Malla Material de la carcasa ABS (Novodur).
- Color de la carcasa Similar a RAL 9010.
- Dimensiones Ø 120 x 22,7 mm.
- Peso 72 g.








Valoraciones
No hay valoraciones aún.